C币钱包官方网站

Language 说话
c币(中国区) - 官方网站
c币(中国区) - 官方网站
GLOBAL
www.gnsolidscontrol.com
c币(中国区) - 官方网站
c币(中国区) - 官方网站
USA
www.gnsolidsamerica.com
c币(中国区) - 官方网站
map australia hover
AUS
www.gnsolidsaustralia.com
c币(中国区) - 官方网站
c币(中国区) - 官方网站
Espa?ol
www.gnsolidsamerica.es
  • c币(中国区) - 官方网站

技术专题

8月 03 2016

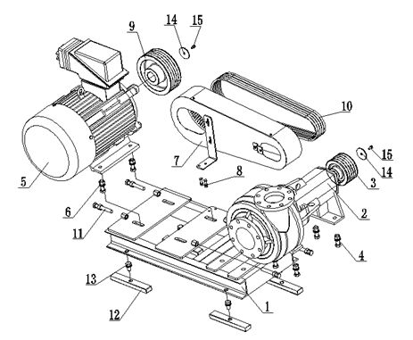
C币钱包官方网站剪切泵

序号 故障 原因 排除步骤
1 轴功率过大
  • 1、叶轮与泵壳端面或叶轮与衬套产生摩擦或副叶轮产生摩擦 。
  • 2、泵在比设计点扬程低得多的前提下运行 。
  • 3、填料压盖压得太紧 。
  • 4、皮带打滑 。
  • 1、调整叶轮与泵壳端面及叶轮与衬套的间隙,或副叶轮的间隙,解除摩擦 。
  • 2、查抄所配工作机是否切合要求,并关幼排出阀门,保障剪切泵在设计扬程工作 。
  • 3、沉新调整压盖紧固力 。
  • 4、张紧皮带(查抄两皮带轮装置地位是否相宜) 。 。
2 扬程降落流量降落
  • 1、大块颗粒梗塞吸入管和叶轮流路 。
  • 2、泵转速降落 。
  • 3、叶轮磨损 。
  • 4、叶轮与泵壳端面间隙过大,泄漏增大 。
  • 5、进口阀门开度太幼 。
  • 1、断根梗塞物 。
  • 2、使泵在额定转速下运行 。
  • 3、更换叶轮 。
  • 4、调整叶轮与泵壳端面的间隙 。
  • 5、开猛进口阀门 。
3 轴承过热
  • 1、光滑油太多或太少 。
  • 2、油中有杂质 。
  • 3、轴承磨损 。
  • 1、使油面维持在油标划定地位 。
  • 2、更换光滑油 。
  • 3、更换轴承 。
4 剪切泵运行产生振动和异常噪声
  • 1、叶轮磨损不平衡 。
  • 2、轴承磨损 。
  • 3、联接松动 。
  • 4、泵产生汽蚀 。
  • 1、更换叶轮 。
  • 2、更换轴承 。
  • 3、紧固各松动部位 。
  • 4、改善吸入前提,预防空气进入泵内 。
5 密封泄漏严沉
  • 1、机封败坏 。
  • 2、轴套磨损严沉 。
  • 3、密封填料磨损过大 。
  • 4、盘根环斜卷 。
  • 5、杂质、异物进入盘根环 。
  • 6、盘根环斜口一致 。
  • 1、更换机封 。
  • 2、更换轴套 。
  • 3、装填新的盘根环 。
  • 4、沉新组装盘根环 。
  • 5、断根杂质、异物,洗濯密封件 。
  • 6、沉新按要求错位装填盘根环 。
【网站地图】